Ремонт EIGHTEEN SOUND 8M400F/8 (в сервисном центре г. Москва-Юг)

964
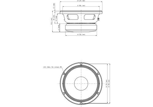
Ремонт EIGHTEEN SOUND 8M400F/8
Наведите на картинку для увеличения
Средний срок ремонта:
Средняя стоимость ремонтных работ
4 172.00 Р
Диагностика: