Ремонт EIGHTEEN SOUND 15NLW9300/8 (в сервисном центре г. Москва-Юг)

6811871
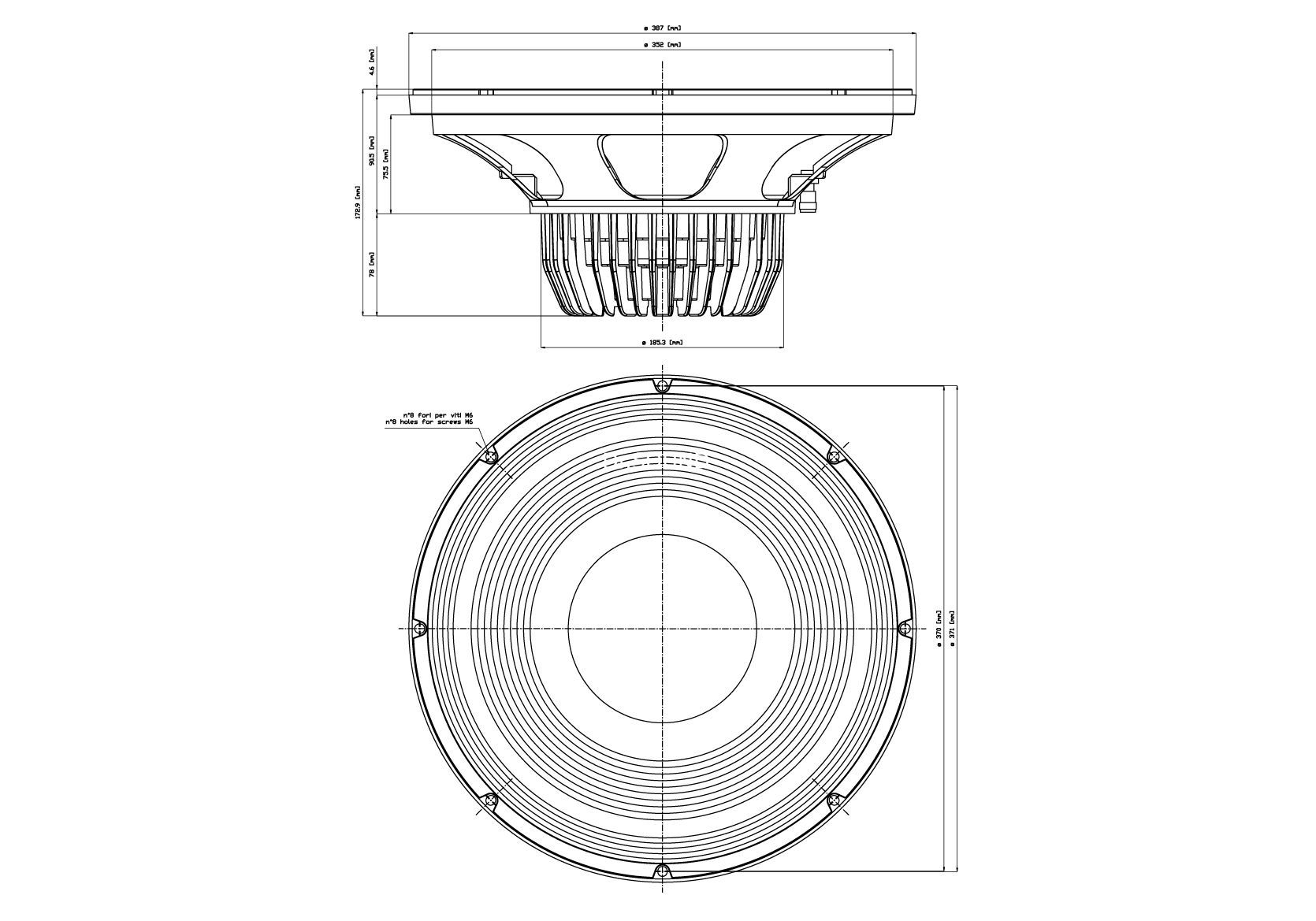
Ремонт EIGHTEEN SOUND 15NLW9300/8
Наведите на картинку для увеличения
Средний срок ремонта:
Средняя стоимость ремонтных работ
5 894.00 Р
Диагностика: